91免费视频播放|91视频.com|安魂曲电影完整版在线观看国语|寂静之声完整版在线观看,奇米四色影视,av草逼,免费黄

公示公告


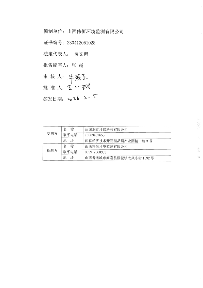
2026年潤(rùn)泰環(huán)保一月份自行監(jiān)測(cè)報(bào)告